Схема подключения дверей

Схема установки электромеханического замка на калитку. Схема подключения дверей. St-db090t замок электромеханический соленоидный врезной. Схема подключения дверей. Схема подключения концевиков дверей форд фокус 2.
Схема установки электромеханического замка на калитку. Схема подключения дверей. St-db090t замок электромеханический соленоидный врезной. Схема подключения дверей. Схема подключения концевиков дверей форд фокус 2.
Схема подключения дверного звонка 220в. Концевик двери схема подключения. Автоматические раздвижные двери схема подключения. Сигнализация схема подключения двери. Схема подключения дверных активаторов.
Схема подключения дверного звонка 220в. Концевик двери схема подключения. Автоматические раздвижные двери схема подключения. Сигнализация схема подключения двери. Схема подключения дверных активаторов.
Звонок дверной проводной 220в схема подключения. Схема подключения дверей. Замок электромагнитный ml-400 схема подключения. Схема подключения дверей. Контроллер скуд с2000-2 схема подключения.
Звонок дверной проводной 220в схема подключения. Схема подключения дверей. Замок электромагнитный ml-400 схема подключения. Схема подключения дверей. Контроллер скуд с2000-2 схема подключения.
Схема подключения электропривода замка. Ки-г1 концевой выключатель схема подключения. Активатор центрального замка ваз 2114. St-db510wmlt электромеханический замок smartec. Схема подключения ip домофона с электромагнитным замком.
Схема подключения электропривода замка. Ки-г1 концевой выключатель схема подключения. Активатор центрального замка ваз 2114. St-db510wmlt электромеханический замок smartec. Схема подключения ip домофона с электромагнитным замком.
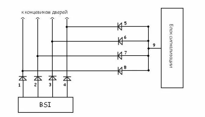
Схема подключения концевиков дверей к сигнализации. Аварийная кнопка выхода скуд схема подключения. Активатор центрального замка 5 контактов схема подключения. Схема концевиков дверей форд фокус 2. Схема подключения активаторов через реле.
Схема подключения концевиков дверей к сигнализации. Аварийная кнопка выхода скуд схема подключения. Активатор центрального замка 5 контактов схема подключения. Схема концевиков дверей форд фокус 2. Схема подключения активаторов через реле.
Центральный замок 2 реле ваз. Схема подключения центрального замка к сигнализации. Электрическая схема подключения автоматических раздвижных дверей. Схема подключения дверей. Схема подключения электромеханического замка к вызывной панели.
Центральный замок 2 реле ваз. Схема подключения центрального замка к сигнализации. Электрическая схема подключения автоматических раздвижных дверей. Схема подключения дверей. Схема подключения электромеханического замка к вызывной панели.
Схема концевиков ваз 2110. Центральный замок ваз приора схема подключения. Схема концевиков дверей форд фокус 2. Схема подключения концевиков дверей ваз 2114. Схема подключения дверей.
Схема концевиков ваз 2110. Центральный замок ваз приора схема подключения. Схема концевиков дверей форд фокус 2. Схема подключения концевиков дверей ваз 2114. Схема подключения дверей.
Схема контроллера gate-8000. Электромагнитный замок на входную дверь схема подключения. Dorma электрическая схема. Схема подключения системы контроля доступа. Схема подключения концевиков сигнализации.
Схема контроллера gate-8000. Электромагнитный замок на входную дверь схема подключения. Dorma электрическая схема. Схема подключения системы контроля доступа. Схема подключения концевиков сигнализации.
Схему подключения освещения салона калина 1. Схема подключения дверей. Схема подключения дверей. Схема подключения сигнализации к центральному замку ваз. Скуд gate 8000.
Схему подключения освещения салона калина 1. Схема подключения дверей. Схема подключения дверей. Схема подключения сигнализации к центральному замку ваз. Скуд gate 8000.
Схема подключения дверей. Схема подключения концевого выключателя на двери. Схема концевиков ваз. Схема подключения дверных активаторов. Плафон салона калина 1 схема подключения.
Схема подключения дверей. Схема подключения концевого выключателя на двери. Схема концевиков ваз. Схема подключения дверных активаторов. Плафон салона калина 1 схема подключения.
Схема подключения сигнализации к концевикам дверей. Схема подключения центрального замка приора. Схема подключения эл замка с домофоном. Схема концевых выключателей для сигнализации. Концевик электрический схема подключения.
Схема подключения сигнализации к концевикам дверей. Схема подключения центрального замка приора. Схема подключения эл замка с домофоном. Схема концевых выключателей для сигнализации. Концевик электрический схема подключения.
Сигнализация старлайн схема подключения концевик. Схема подключения дверных концевиков 2110. Схема подключения дверей. Схема концевиков ваз 2114. Схема установки электрозамка домофона.
Сигнализация старлайн схема подключения концевик. Схема подключения дверных концевиков 2110. Схема подключения дверей. Схема концевиков ваз 2114. Схема установки электрозамка домофона.
Схема концевиков дверей ваз 2112. Электромагнитный замок st-db510mlt. Схема подключения дверей. Кнопка выхода для электромагнитного замка схема подключения. Tormax automatic схема подключения.
Схема концевиков дверей ваз 2112. Электромагнитный замок st-db510mlt. Схема подключения дверей. Кнопка выхода для электромагнитного замка схема подключения. Tormax automatic схема подключения.
Электромагнитный замок на входную дверь схема подключения. Подключить концевик двери к сигнализации. Электропривод замка двери схема подключения. Схема подключения дверей. Схема подключить электрозамок к домофону.
Электромагнитный замок на входную дверь схема подключения. Подключить концевик двери к сигнализации. Электропривод замка двери схема подключения. Схема подключения дверей. Схема подключить электрозамок к домофону.
Соленоидные замки st-db510mlt. Схема подключения скуд с электромагнитным замком. Звонок дверной 220в схема подключения. Кнопка аварийного выхода схема подключения. Схема подключения дверного звонка 220в в квартире.
Соленоидные замки st-db510mlt. Схема подключения скуд с электромагнитным замком. Звонок дверной 220в схема подключения. Кнопка аварийного выхода схема подключения. Схема подключения дверного звонка 220в в квартире.
Активатор замка двери схема подключения. Схема подключения дверей. Схема подключения приводов открытия дверей. Схема подключения кнопки разблокировки дверей скуд. Схема подключения освещения салона ваз.
Активатор замка двери схема подключения. Схема подключения дверей. Схема подключения приводов открытия дверей. Схема подключения кнопки разблокировки дверей скуд. Схема подключения освещения салона ваз.
Схема подключения активатора замка ваз. Схема электрическая подключения концевой выключатель. Схема подключения привода багажника. Схема подключения дверей. Схема подключения 5 проводного центрального замка.
Схема подключения активатора замка ваз. Схема электрическая подключения концевой выключатель. Схема подключения привода багажника. Схема подключения дверей. Схема подключения 5 проводного центрального замка.
Схема подключения дверей. Схема подключения дверей. Сигнализация старлайн схема подключения концевиков дверей. Схема подключения дверей. Схема концевиков дверей 2110.
Схема подключения дверей. Схема подключения дверей. Сигнализация старлайн схема подключения концевиков дверей. Схема подключения дверей. Схема концевиков дверей 2110.
Схема подключения концевого выключателя. Схема подключения дверей. Схема подключения дверей. Схема подключения дверей. Кнопка аварийной разблокировки двери схема подключения.
Схема подключения концевого выключателя. Схема подключения дверей. Схема подключения дверей. Схема подключения дверей. Кнопка аварийной разблокировки двери схема подключения.
Электромагнитный замок м500 схема подключения. Электропривод замка двери автомобиля схема подключения. Схема подключения концевиков дверей к сигнализации. Схема подключения дверей. Схема концевиков ваз.
Электромагнитный замок м500 схема подключения. Электропривод замка двери автомобиля схема подключения. Схема подключения концевиков дверей к сигнализации. Схема подключения дверей. Схема концевиков ваз.